パワーディスクリート
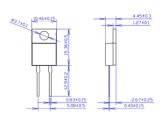
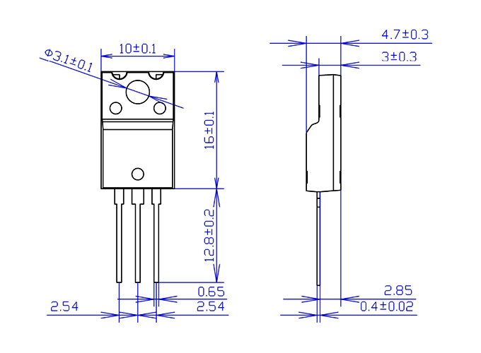
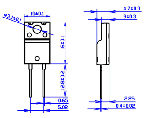
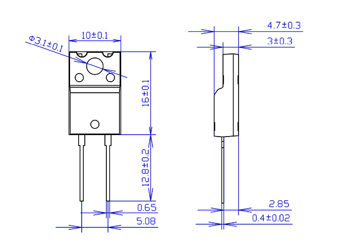
各種TOディスクリートパッケージ
「TOディスクリート」は、パワーディスクリートのうちTOパッケージ(Transistor Outline
Package)形態に封止された製品を指します。
TO(Transistor Outline)は、トランジスタやダイオードなどを収めるリード付きの金属・樹脂パッケージ規格です。
TOディスクリートの製造プロセス
製造プロセスの技術向上に努めております。
前工程
※お客様からお預かりしたサンプル
| 工程 | 詳細 | プロセス | マテリアル | |
|---|---|---|---|---|
| 1 | チップサイズ、もしくは指定のサイズに個片化します。 | ブレード | ウェーハ径: MAX 8inch |
|
| 2 | チップが所定の位置からズレないよう、高精度に位置決め・固定し、後続に耐える機械強度と熱・電気特性を確保します。 | 搭載 | ダイサイズ: □0.25~20mm |
|
| 接合 | 半田(N2有): ディスペンス・ プリフォーム |
|||
| 3 | チップとリードフレームや基板・パッケージをボンディングワイヤーで電気的に接続し、低抵抗・高信頼でモールド等に耐える接合を形成します。 | ウェッジ ボンディング (太線タイプ) |
Wire径:Φ100~500μm Wire材:AL Wire長:2.0~40mm |
|
| ウェッジ ボンディング (リボンタイプ) |
Wire幅:0.2~2.0mm Wire厚:0.1~0.3mm Wire材:AL Wire長:2.0~40mm |
|||
| 4 | チップを樹脂で一体封止し、機械強度・耐環境性・電気的保護を付与します。 | トランスファ モールド |
リードフレーム: MAX(45×228mm) |
|
| 5 | モールド後のストリップからダムバー/タイバーなどを切断(トリム)します。 | トリミング フォーミング |
PKG Size: □3.0~□15.7 |
|
| 6 | 半導体デバイスの電圧・電流特性を測定します。 | カーブトレーサ | 電圧:Max:3,000V 電流:Max:1,000A |
|
| 7 | 所定の形態でサンプルを梱包し、出荷いたします。 | チューブ | PKG Size: Max:5.3×12.8mm |
TOディスクリートの実績紹介
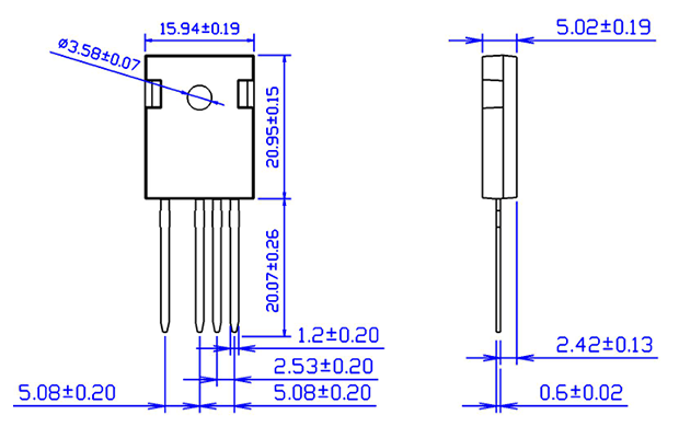
TO-247-3L試作事例

特徴
- SiCMOSチップ搭載
お客様のコメント
少ない数量でも柔軟に対応してもらえて助かりました。
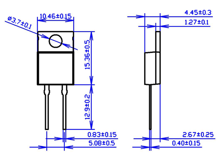
※A社様TO-247-4L試作事例

特徴
- IGBTチップ搭載
お客様のコメント
国内で4ピンの試作を対応してもらえるところがなく助かりました。
※B社様納品フロー

お問い合わせ
ご相談内容をこちらからお問い合わせください。

ご回答
ヒアリング日程調整
担当のエンジニアから、初回のご回答を差し上げます。

ヒアリング
開発可能な場合は、ヒアリングにて詳細をお伺いいたします。

お見積りご提出
お見積りと納期をご提出しますので、御社内にてご検討ください。

ご発注
お見積りに沿ってご発注を頂きます。

納品
要件を満たしつつ信頼性の高い製品を納品いたします。
よくある質問
搭載チップ以外で支給が必要な材料はありますか?
評価をされたいチップ等のみをご支給いただければ、その他の部材は弊社にて調達いたします。
依頼するにあたって資料の準備が必要ですか?
試作には様々な仕様がございますが、その中で共通事項となる仕様を記載いただくための、依頼書フォーマットを準備しております。依頼書フォーマットは、"こちら"よりご請求ください。個別の詳細仕様につきましては、任意形式での資料のご提示をお願い申し上げます。
量産を伴わない、試作のみの依頼でも対応してもらえますか?
試作のみでも全く問題ございません。設計開発品が、次の展開へ進められることを本サービスのミッションとしております。お気軽にお問い合わせください。
試作仕様が固まっていませんが、相談から対応してもらえますか?
試作仕様が固まっていなくても全く問題ございません。現状の仕様やご要望事項から、加工条件などを提案させていただきます。オンラインでのお打ち合わせも可能です。お気軽にお問い合わせください。
大分デバイステクノロジー
の製品紹介
各種パッケージの開発試作・組立試作(パッケージング)も受託できます。
ケースタイプモジュール・フルモールドタイプモジュール・パワーディスクリートタイプなど、幅広いパッケージでのご対応が可能です。





