パワーモジュールSU-1/SU-2
産業用インバーターや電気自動車に最適な
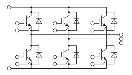
6in1パワーモジュールSU-1
弊社開発の 6in1 650V/400AパワーモジュールSU-1は、高信頼性で電気自動車・モーター駆動・産業用インバータ等に利用できます。
※EV用途は開発中です。
| デバイス種 | 型番 | 外形寸法 |
|---|---|---|
| 6in1 650V/400A IGBT module | OPMD0650V0400A6PK-M | 140mm×113mm×21mm |
パワーモジュール SU-1の特徴
150℃耐熱設計・3相インバーター対応・トレンチフィールドストップ
IGBTと環流ダイオード搭載
冷却は水冷法式対応
低熱抵抗でIGBTは0.1℃/Wで
高放熱
電気的特性の特徴

- 動作温度150℃
- 低いオン電圧
- 高速スイッチング
- 高速リカバリー
機械的特性の特徴

- 絶縁耐圧AC2.5kV 1分間
- 低熱抵抗
- NTCサーミスタ搭載
- RoHS対応
- 高耐熱ゲル封止
- 蓋はエポキシ樹脂封止
パワーモジュール SU-1
の信頼性評価
長期使用における安全性・耐久性を検証しました。
| Test Items(symbol) | Test condition | result |
|---|---|---|
| HTRB | Ta=150℃、VCE=520V、VGE=0V | 1,000 hr Clear |
| HTGB | Ta=150℃、VCE=20V、VGE=0V | 1,000 hr Clear |
| THB | 85℃85%RH、VCE=520V、VGE=0V | 1,000 hr Clear |
| TCT | Ta= -40℃⇔150℃ each 30min | 1,000 cycle Clear |
| Power cycle test | ΔTj=100°C(Tj_min=Tc)、Continiouse water cooling,VGE=15V | 50,000 cycle Clear |
汎用2in1パワーモジュールSU-2
パワーモジュールSU-1とは、回路構成が異なる仕様の、SU-2もあります。
モーター駆動や産業用インバーターなどに特化したSU-1と比較して、SU-2は汎用性が高く、さまざまな用途に活用できます。
パッケージ仕様(例)
お客さまのご要望の使用に合わせ、
搭載デバイスを選択いただけます。
また回路パターンや組み立て内容を
カスタマイズできます。
| 電圧 | 電流 |
|---|---|
| 650V | 400A |
| 750V | 550A |
| 1250V | 150A |
| ~1250V チップカスタム可能 |
~600A チップカスタム可能 |
- MinebeaMitsumi製(ミネベアミツミ製)IGBT/FRD搭載。
- SiC-MOSFETも調達可能です。
今すぐ相談するお問い合わせ
納品フロー

お問い合わせ
ご相談内容をこちらからお問い合わせください。

ご回答
ヒアリング日程調整
担当のエンジニアから、初回のご回答を差し上げます。

ヒアリング
開発可能な場合は、ヒアリングにて詳細をお伺いいたします。

お見積りご提出
お見積りと納期をご提出しますので、御社内にてご検討ください。

ご発注
お見積りに沿ってご発注をいただきます。

納品
要件を満たしつつ信頼性の高い製品を納品いたします。
よくある質問
試作の依頼時に支給が必要な部材はありますか?
評価をされたいチップや部材等のみをご支給いただければ、その他の部材は弊社にて調達いたします。
依頼するにあたって資料の準備が必要ですか?
試作には様々な仕様がございますが、その中で共通事項となる仕様を記載いただくための、依頼書フォーマットを準備しております。依頼書フォーマットは、"こちら"よりご請求ください。個別の詳細仕様につきましては、任意形式での資料のご提示をお願い申し上げます。
量産を伴わない、試作のみの依頼でも対応してもらえますか?
試作のみでも全く問題ございません。設計開発品が、次の展開へ進められることを本サービスのミッションとしております。お気軽にお問い合わせください。
SU-1/SU-2以外のケースタイプモジュールの試作はできますか?
ここには掲載していないケースタイプモジュールのラインナップがございます。また、ご希望仕様にあわせたオリジナルモジュールの試作も可能です。お気軽にお問い合わせください。
大分デバイステクノロジー
の製品紹介
各種パッケージの開発試作・組立試作(パッケージング)も受託できます。
ケースタイプモジュール・フルモールドタイプモジュール・パワーディスクリートタイプなど、
幅広いパッケージでのご対応が可能です。




